1. leht 1-st
Mk1 lisakaugtuled
Postitatud: 05 Mai 2022, 18:20
Postitas Mk
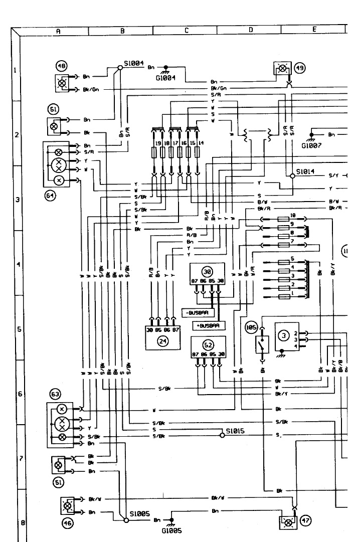
Oskaks keegi mk1 lisakaugtulede kohta midagi rääkida? Miks ei ole need otse ühendatud tavaliste kaugtuledega ehk mis on nende otstarve? Lisatuledele eraldatud releest jooksevad manuaali järgi juhtmed “-busbari, +busbari”- mis need on ja kust need leida võiks? Üv saamiseks peaks need lisatuled vist töötama?
Re: Mk1 lisakaugtuled
Postitatud: 05 Mai 2022, 19:55
Postitas Jaanus
busbar-id pakuks kaitsmekarbi sisesed ühendused. saab + ja- releele kaitsmekarbi seest.
ei tea miks eraldi relee alla pandud, aga relee saab signaali tava kaugtuledest. ehk siis lähevad põlema koos tava kaugtuledega.
eraldi katitse ka lisa kaugtulel, nr7 skeemil

- Untitled.jpg (212.74 KiB) Vaadatud 6263 korda